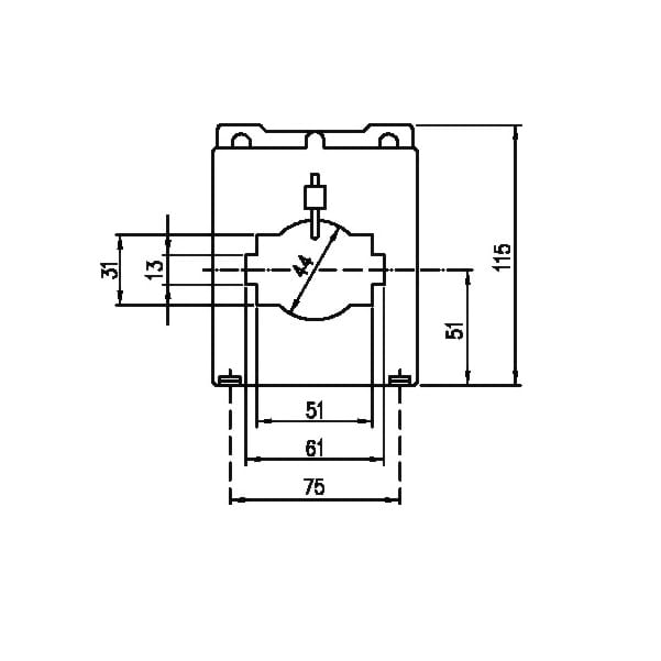
IBR-1
Schutzstromwandler
Beschreibung:
- Dieser Schutzstromwandler (IBR-1) wird zum Anlagenschutz in Verbindung mit den entsprechenden Schaltgeräten eingesetzt
- In zahlreichen Schutzklassen erhältlich
- Plombierbare Sekundärklemmenabdeckungen aus durchsichtigem Polycarbonat
- Doppel-Sekundärklemmen bei allen Ausführungen des IBR-1, zum Kurzschließen der Sekundärwicklungen vor dem Öffnen des Sekundärstromkreises
Downloads:



