IAM
Klappbarer Stromwandler
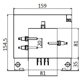
Beschreibung:
- Der Wandlerkern des IAM (Klappbarer Stromwandler) ist bequem teilbar, hervorragend für nachträglichen Einbau, da der Primärstromkreis nicht unterbrochen werden muss.
- einfache und sichere Anbringung an Stromschiene – hörbare Verrastung des Stromwandlers
- gut fixierbar durch einige Klemmschrauben
Downloads:



